Муфты электромагнитные серии ЭТМ с вынесенными дисками предназначены для автоматического и дистанционного управления приводами различных машин и механизмов.
Используя бесконтактные муфты можно защитить оборудование от перегрузок, обеспечить малые потери при холостом ходе, быстрый пуск механизмов в режиме нагрузки. Такой тип муфт применяется при совершении разгона, торможения, позволяет реверсировать нагрузки, регулировать частоту вращения.

Расшифровка ЭТМ, маркировка
Т - трения (фрикционная);
М - муфта;
ХХ - габарит муфты: 05, 06, 07, 08, 09, 10, 11, 12, 13, 14, 15;
Х - конструктивное исполнение (2 - контактная, 4 - бесконтактная, 6 - тормозная);
Х - конструктивное исполнение (буква отсутствует - масляная, с - сухая, б - быстродействующая);
Х - номер ряда посадочного отверстия (1; 2; 3);
Х - вид посадочного отверстия (А - шпоночное посадочное отверстие; Б - ; шлицевое посадочное отверстие с центрированием по внутреннему диаметру; Н - шлицевое посадочное отверстие с центрированием по наружному диаметру);
М - модернизация;
Х - климатическое исполнение (УХЛ, О, У, Т) по ГОСТ 15150-69;
Х - категория размещения (3; 4) по ГОСТ 15150-69.
Муфты серии ЭТМ бывают следующих исполнений:
- тормозные;
- бесконтактные;
- контактные.
Тормозные муфты ЭТМ отличает от аналогов наличие цилиндрического поводка. Он облегает якорь и сам конструктив корпуса. Поводок присоединен к наружным фрикционным дискам жестким способом, внутренние – свободны. Они вращаются совместно с валом.
Бесконтактные муфты ЭТМ обладают сразу двумя деталями магнитного провода, ограниченных зазором, который отвечает за снижение передачи тепла при движении дисков. Для подвода электричества используются провода. Бесконтактные устройства отличает надежность работы при повышенных нагрузках.
Контактные муфты ЭТМ приводят в действие электрический ток, который подается через держатель щеток ЭМЩ 2А. Внутренние диски расположены на шлицах. На наружных дисках есть специальные пазы, необходимые для крепления поводка.
Основные параметры муфты электромагнитной ЭТМ

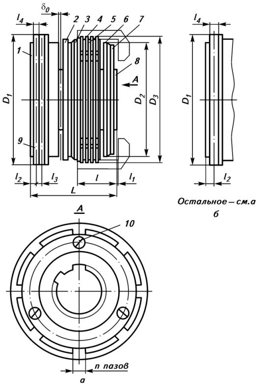
Общий вид, габаритные и установочные размеры контактной быстродействующей муфты (а) и контактной масляной и сухой муфты (б): 1 - корпус; 2 - якорь; 3 - гайка; 4 - пакет внутренних дисков; 5 - пакет наружных дисков; 6 - нажимной диск; 7 - фиксатор; 8 - втулка; 9 - контактное кольцо; 10 - винт
Технические характеристики муфт серии ЭТМ
Подача тока на электромагнитные устройства производится путем подключения их к системам постоянного или переменного тока. Для решения этой задачи используется выпрямитель. В случае использования изделий серии ЭТМ увеличенных размеров рекомендовано применение фильтров. Величина специальной фильтрующей емкости варьируется в диапазоне 4 000… 6 000 мкФ.

Общий вид, габаритные и установочные размеры бесконтактной муфты: 1 - корпус; 2 - держатель.

Общий вид, габаритные и установочные размеры тормозной муфты: 1 - катушка возбуждения; 2 - винт; 3 - тяга
Муфта собрана на общей втулке, сидящей на ведущем (ведомом) валу, с которым соединен поводок (в комплект поставки не входит), в свою очередь соединенный с наружными дисками. Внутренние диски соединены со втулкой.
К нажимному диску при помощи винтов прикреплен фиксатор, предохраняющий нажимной диск от проворота. Катушка возбуждения закреплена в корпусе в контактной и тормозной муфтах или в держателе в бесконтактной муфте.
Выводные концы катушек бесконтактной и тормозной муфт выведены наружу через специальное отверстие в корпусе и держателе. В контактных сухих и масляных муфтах один выводной конец катушки присоединяется к контактному кольцу, другой - к корпусу. В контактной быстродействующей муфте оба конца катушки выведены на контактные кольца. Остаточный зазор устанавливается и регулируется гайкой, которая стопорится от самоотвинчивания при помощи винта.
Токоподвод контактных муфт осуществляется при помощи щеткодержателя.
При подаче напряжения на катушку муфты якорь притягивается к корпусу и через тягу и нажимной диск сжимает пакет фрикционных дисков, в результате чего момент передается с ведущего вала на ведомый.
