
Муфты серии ЭМ
Электромагнитные многодисковые фрикционные муфты серии ЭМ — предназначены для автоматизации привода металлорежущих станков и других машин. Муфты можно устанавливать как на горизонтальных, так и на вертикальных валах. При монтаже на вертикальном валу муфта ставится якорем вниз. Данные муфты не подходят для работы в агрессивных средах, среди газов и паров с высокой концентрацией вещества, вследствие чего может разрушиться оболочка и изоляция и привести к поломке узлов оборудования.
Особенности эксплуатации
Электромагнитные многодисковые фрикционные муфты серии ЭМ предназначены для автоматизации привода металлорежущих станков и других машин.
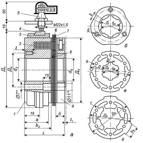
Конструкция:

Муфты серии ЭМ состоят из следующих основных частей:
Корпуса 1 с заложенной в него катушкой 2. Один конец катушки соединяется с корпусом, другой с контактным кольцом 4, запрессованным в пластмассовом кольце 3; Фрикционного устройства, состоящего из стальных дисков двух конфигураций: диска 6 со шлицевым отверстием и диска 7 со шлицевыми выступами по наружному диаметру, а также пружинных шайб 8, служащих для разведения дисков при отключении муфты; Якоря 9. Токоподвод осуществляется через щётку, закреплённую в щёткодержателе 5.
Габаритные и присоединительные размеры муфт серии ЭМ, мм
| Тип | Посадочное отверстие | Д1 | Д2 | Д3 | d4 | L | a | b2 | б | Выступы диска наружнего | Крепежное отверстие | l1 | |||||||||
| Корпус | Диск внутренний | Якорь | |||||||||||||||||||
| d1 | d2 | b | d3 | d4 | d5 | b1 | d6 | b3 | Кол-во | d | l | ||||||||||
| ЭМ-12 | 25 | 22 | 6+0,023 | 25+0,5+0,2 | 22+0,5+0,2 | 6+0,5+0,2 | 25 | 78 | 72 | 65 | 33 | 44 | 28 | 33 | 5 | 20+0,3+0,5 | 3 | M4 | 8 | 1.2 | |
| ЭМ-12А | - | - | 25 | ||||||||||||||||||
| ЭМ-22 | 30 | 26 | 8+0,023 | 30+0,5+0,2 | 25+0,5+0,2 | 8+0,5+0,2 | 30 | 94 | 88 | 80 | 42 | 44 | 30 | 33 | 6 | 1.2 | |||||
| ЭМ-22А | - | - | 30 | ||||||||||||||||||
| ЭМ-32 | 40 | 35 | 10+0,027 | 40+0,5+0,2 | 35+0,5+0,2 | 10+0,5+0,2 | 40 | 116 | 110 | 100 | 52 | 50 | 30 | 34 | 8 | 30+0,3+0,5 | 10 | 1.5 | |||
| ЭМ-32А | - | - | 40 | ||||||||||||||||||
| ЭМ-42 | 50 | 45 | 12+0,027 | 50+0,5+0,2 | 45+0,5+0,2 | 12+0,5+0,2 | 50 | 142 | 135 | 125 | 60 | 53 | 30 | 34 | 9 | 40+0,4+0,5 | 2.5 | ||||
| ЭМ-42А | - | - | 50 | ||||||||||||||||||
| ЭМ-52 | 65 | 58 | 16+0,027 | 65+0,6+0,3 | 58+0,6+0,3 | 16+0,6+0,3 | 65 | 177 | 172 | 160 | 86 | 64 | 33 | 40 | 11 | 30+0,3+0,5 | 6 | 12 | 3 | ||
| ЭМ-52А | - | - | 65 | ||||||||||||||||||
| ЭМ-62 | 80 | 70 | 20+0,03 | 80+0,6+0,3 | 70+0,6+0,3 | 20+0,6+0,3 | 80 | 215 | 215 | 200 | 105 | 88 | 35 | 52 | 14 | 40+0,4+0,5 | M6 | 5 | |||
| ЭМ-62А | - | - | 80 | ||||||||||||||||||
| d1 | допустимое отклонение по А |
| d2 | допустимое отклонение по А4 |
| d3 | допустимое отклонение по А |
| d6 | допустимое отклонение по Ш4 |
| Д1 | допустимое отклонение 1 |
| d4 | допустимое отклонение +-1 |
| l1 | ход якоря (не менее) |
| Муфты ЭМ-12 - ЭМ-62 | со шлицевым отверстием в корпусе |
| Муфты ЭМ-12А - ЭМ-62А | с гладким отверстием в корпусе |
Основные технические данные муфт серии ЭМ:
| Тип | Номинальный передаваемый момент, кгс м | Максимальная скорость вращения, об/мин | Постоянный ток | ||
| Номинальное напряжение, В | Ток, А | Вес, кг | |||
| ЭМ-12 | 1,6 | -- | 24 | 0,23 | 1,1 |
| ЭМ12А | |||||
| ЭМ-22 | 4 | 3000 | 0,36 | 1,6 | |
| ЭМ-22А | |||||
| ЭМ-32 | 6,3 | -- | 0,73 | 2,6 | |
| ЭМ-32А | |||||
| ЭМ-42 | 16 | 2000 | 0,8 | 4 | |
| ЭМ-42А | |||||
| ЭМ-52 | 40 | 1500 | 0,93 | 7,5 | |
| ЭМ-52А | |||||
| ЭМ-62 | 100 | 1000 | 2,07 | 16,2 | |
| ЭМ-62А | |||||
Муфты ЭМ-42АР

Муфта серии ЭМ специального исполнения ЭМ-42АР состоит из двух частей:
ЭМ-42АР1 и ЭМ-42АР2.
Муфты должны быть доработаны заказчиком в соответствии с конструкцией узла станка, в который они встраиваются.

В состоянии поставки муфта ЭМ-42 АР1 (рис. а) состоит из следующих основных частей: корпуса 1 с заложенной в него катушкой 2; один конец катушки присоединён к корпусу, другой - изолирован от корпуса и выведен наружу для присоединения к контактному кольцу при доработке муфты; фрикционного устройства, состоящего из стальных дисков 5 и 6 и пружинных шайб 4; якоря 3.
Муфта ЭМ-42 АР2 (рис. б) состоит из аналогичных деталей, но в отличие от ЭМ-42 АР1 не имеет якоря.
Муфта ЭМ-42 АР2 монтируется совместно с муфтой ЭМ-42 АР1 на общем валу с одним общим якорем.
Во избежание чрезмерного нагрева дисков, а следовательно и всей муфты, при отпущенном якоре, величина хода якоря должна быть не менее 2.5 мм.
| Тип | Номинальный передаваемый, кгс м | Максимальная относительная скорость вращения, об/мин | Постоянный ток | Вес, кг | |
| Номинальное напражение, В | Ток, А | ||||
| ЭМ-42АР1 | 36 | 2500 | 24 | 1,0 | 6,0 |
| ЭМ-42АР2 | 16 | 0,8 | 2,7 | ||